inizia ad acquistare
Adesivatrici
Macchine Termosaldatrici
Presse Termoadesive
Presse Transfer
Alimentatori
Attaccaganci
1 Testa
2 Teste
Da Banco
Cucito
1 Ago Piane
2 Aghi Piane
Asolatrici
Attacca Bottoni
Attacca Cintura
Attacca Etichette
Attacca Maniche
Attacca Tasche
Avvolgigambo
Bordatrici Moquette
Braccio
Braccio Rovescio
Catenella (1/2/3 aghi)
Colonna
Copertura
Cucisacchi
Filetti
Finto Punto a Mano
Imbastitrici
Macchine a Campo
Multiaghi
Occhiellatrici
Orlo Fondo
Piattelli
Produzione Cuscini
Punti Ornamentali
Punto Invisibile
Ricamatrici
Tagliacuci
Travette
Ultrasuoni
Unità Automatiche
Famiglia
Macchine per cucire
Macchine per cucire e ricamare
Macchine per ricamare
Scan & Cut
Stampanti
Stiro
Tagliacuci/Copertura
Infila cordoni
Lavorazioni Pelle
Scarnitrici
Sanificatori
Ambiente
Caldaie Industriali
Caldaie Semi-Idustriali
Tavoli Industriali
Tavoli Semi-Industriali
Taglio
Double Cut
Seghe a Nastro
Taglia Collaretto
Taglia Fili
Taglia Strisce
Taglierine
Trapano a Caldo
Antiche
Attacca Spalline
Braccio Lungo
Festonatrice
Multi Aghi
Sorfilatrici
Macchine per Ricamare
Lavorazione Pelle
Rifilatrici
Spiana Cuciture
Accessori
Caldaie Semi Industriali
Ferri
Manichini
Risvolta Pantaloni
Stira Passanti
Stira Tasche
Taglia Aspira Fili
Taglia Campioni
Taglia Festoni
Carrelli
Cassetti
CInghie
Ginocchiere
Industria 4.0
Interruttori
Motori
Accessori M.
Elettronico
Frizione
Giri Fissi
Integrato
Servo
Pedane
Porta Spole
Portarotolo
Pulegge
Raccogli Capi
Raccogli Ritagli
Sostegni
Tavole
Tavole + Sostegni
Tiranti
Abrasivi
Affilatori
Alzapiedini
Avvolgispoline
Borse
Cacciaviti
Compressori
Dime
Espositori
Filarello Da Banco
Filato
Forbici
Forbici Elettriche
Forbicine
Gommini
Guide
Guide ribaltabili
Infila Ago
Kit per bordare
Lame
Lampade
led con pulsanti
Leva Pelucchi
Mascherine
Materiali
Metal Detector
Metri
Misuratore Di Tensione
Oliatori
Olio e Siliconi
Pinzette
Pistole Etichette
Pneumatica
Porta spoline magnetico
Pulizia
Puller
Roccatrici
Sedie
Software
Spazio Piega
Supporto Guide Ribaltabili
Taglia Asole
Taglia Passanti
Tagliacatenella
Tavolette
Telai
Templex
Ventilatori
Vernici
Volta colli e cinture
A.S.S.
A13
Adler
Ascolite
BabyLock
Battistella
Beisler
Bernina
BIEFFE
Brother
Cerliani
CF
Comel
Cometa
Complett
Cornely
Double cut
Durkopp
Eagle
Eastman
Effeci
Efka
Elcu
Elna
Ever Peak
Falbo
Falcon
FIR
Fonio
Global
Groz-Beckert
Ho Hsing
Husqvarna
IPT
Jack
Janome
Japsew
JEUX
Juita
Juki
kai
Kansai
Kingtex
Km
Laser
Maica
Maier
Merrow
Metalmeccanica
Mitsubishi
Moretti
Necchi
Non Originali
Omac
Oshima
Pegasus
Pfaff
Powermax
Prazak
Premax
pugi
Quick
Racing
Ram
Rasor
Reece
Renown
Rigomac
Rimoldi
Rotondi
Schmetz
Secat
Seiko
Shing Ling
Singer
Siruba
Strobel
SUMMIT
Sunstar
Suprena
Taking
Tego
Tony
Top Pfaff
Triumph
Typical
Union Special
Vibemac
WESTMAN
Yamato
Zoje
ZYPPY
Password dimenticata
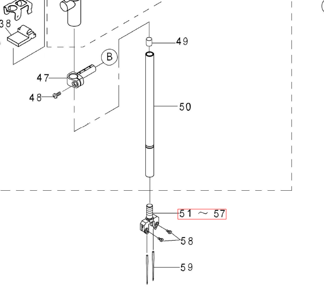
Marca : JACK
Cod. : JCK 42134020
Accedi per acquistare
Iscriviti alla Newsletter
Iscriviti alla nostra Newsletter per essere aggiornato su novità, promo, etc.
Stai richiedendo il prezzo del prodotto